Produkte
Rückschlagventil
  • RückschlagventilRückschlagventil

Rückschlagventil

Jinqiu Valve stellt ein hochwertiges Rückschlagventil her, ein automatisches Ventil, das auch als Einwegventil oder Rückschlagventil bekannt ist. Seine Funktion besteht darin, den Rückfluss des Mediums in der Rohrleitung zu verhindern, sodass die Flüssigkeit in eine Richtung fließen kann. Es verhindert wirksam einen Rückfluss (Rückfluss), der das Rohrleitungssystem beschädigen könnte. Das Ventil öffnet oder schließt seine Öffnungs- und Schließkomponenten durch die Strömung und Kraft des Mediums, um einen Rückfluss des Mediums zu verhindern.
Jinquan Valve is a high-tech enterprise integrating valve product research, production, sales, and service. As an H44H and H44Y type PN16 ~ PN250 swing check valves supplier, our customized swing check valves are suitable for pressures of 1.6 ~ 25MPa, working temperatures of -29 ~ +550 ℃, and are applicable to pipeline conditions in the petroleum, chemical, pharmaceutical, fertilizer, power industries, and other environments. Applicable media include water, oil, steam, acidic media, and so on. We have been operating in the valve manufacturing field for over twenty years. With our experience, we have won high praise from the market for our reasonable prices, high quality, and attentive service.

1. Automatisches Öffnen und Schließen: Das Rückschlagventil öffnet und schließt automatisch basierend auf der Kraft des Medienflusses. Fließt das Medium in die vorgegebene Richtung, wird der Ventilteller aufgedrückt und das Ventil öffnet. Wenn das Medium nicht mehr fließt oder zurückfließt, schließt der Ventilteller aufgrund seines Eigengewichts oder seiner Federkraft und verhindert so einen Rückfluss. Es ist keine manuelle Bedienung erforderlich, wodurch eine automatische Steuerung erreicht wird.
2. Zuverlässige Abdichtung: Die Dichtflächen des Ventiltellers und des Ventilsitzes bestehen typischerweise aus einer geschweißten Legierung auf Eisenbasis oder einer Hartlegierung auf Stellite-Kobaltbasis, die verschleißfest, hitzebeständig, korrosionsbeständig und gut kratzfest ist. Dadurch wird eine langzeitstabile Dichtwirkung gewährleistet und ein Medienaustritt wirksam verhindert. 3. Freier Strömungskanal: Der Strömungskanal ist rational gestaltet, was zu einem geringen Flüssigkeitswiderstand führt. Die Medien können reibungslos durch das Rückschlagventil strömen, wodurch Druckverlust und Energieverbrauch reduziert werden.

Leistungsparameter

Modell H44H-16C~250 H44W-16P~250
Arbeitsdruck (MPa) 1,6~25
richtige Temperatur (℃) ≤425 ≤550
Geeignete Medien Wasser, Dampf, Öl Schwach korrosives Medium
Material Karosserie, Motorhaube, Scheibe Kohlenstoffstahl Chrom-Nickel-Titan-Edelstahl
Dichtfläche Kohlenstoffstahl-Beschichtungslegierungen auf Eisenbasis Körper versiegelt

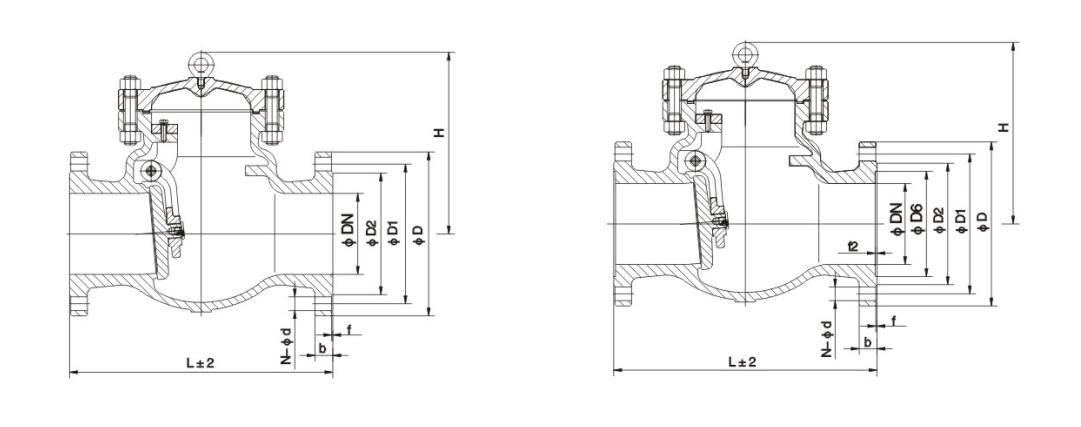
Die Hauptform und Anschlussmaße

NenndurchmesserDN Die Hauptmaße und Anschlussmaße
L D D1 D2 b Z-d H
H44H-16C H44W-16C H44W-16P H44W-16R H44W-16I
25 160 115 85 65 16 4-14 100
32 180 135 100 78 16 4-18 105
40 200 145 100 85 16 4-18 115
50 230 160 125 100 16 4-18 135
65 290 180 145 120 18 4-18 142
80 310 195 160 135 20 8-18 165
100 350 215 180 155 20 8-18 180
125 400 245 210 185 22 8-18 210
150 480 280 240 210 24 8-23 233
200 500 335 295 265 26 12-23 304
250 550 405 355 320 30 12-25 348
300 650 460 410 375 30 12-25 390
350 750 520 470 435 34 16-25 430
400 850 580 525 485 36 16-30 468
H44H-25 H44W-25 H44W-25P H44W-25R H44W-25I
25 160 115 85 65 16 4-14 100
32 180 135 100 78 16 4-18 105
40 200 145 110 85 16 4-18 115
50 230 160 125 100 20 4-18 160
65 290 180 145 120 22 8-18 175
80 310 195 160 135 22 8-18 185
100 350 230 190 160 24 8-23 220
125 400 270 220 188 28 8-25 248
150 480 300 250 218 30 8-25 276
200 550 360 310 278 34 12-25 350
250 650 425 370 332 36 12-30 410
300 750 485 430 390 40 16-30 430
350 850 550 490 448 44 16-34 518
400 950 610 550 505 48 16-34 560

Strukturbild

Hot-Tags: Rückschlagventil, China, kundenspezifisch, Qualität, langlebig, fortschrittlich, Hersteller, Lieferant, Fabrik, auf Lager
Anfrage absenden
Kontaktinformation
  • Adresse

    Nr. 1, North 1st Road, Stainless Steel New Town, Lecong Steel World West Road, Bezirk Shunde, Stadt Foshan, Provinz Guangdong, China

Für Anfragen zu Absperrschiebern, Durchgangsventilen und Rückschlagventilen oder zur Preisliste hinterlassen Sie uns bitte Ihre E-Mail und wir werden uns innerhalb von 24 Stunden bei Ihnen melden.

X
Wir verwenden Cookies, um Ihnen ein besseres Surferlebnis zu bieten, den Website-Verkehr zu analysieren und Inhalte zu personalisieren. Durch die Nutzung dieser Website stimmen Sie der Verwendung von Cookies zu. Datenschutzrichtlinie
Ablehnen Akzeptieren